

全国免费客服电话 18853998322 邮箱:xy@xinyasic.com
手机:18853998322
电话:18853998322
地址:山东省临沂市临沭县城西开发区
无压烧结用碳化硅粉0.5粉无压烧结用碳化硅GCW0.5的粉是一种用于制造高性能陶瓷材料的原料,主要成分为高纯度、超细碳化硅粉末,这种粉体具有优异的物理化学性能,
产品详情
无压烧结用碳化硅GCW0.5的粉是一种用于制造高性能陶瓷材料的原料,主要成分为高纯度、超细碳化硅粉末,这种粉体具有优异的物理化学性能,广泛应用于高端工业领域。
粉体制备采用优质高纯碳化硅原料,经砂磨机研磨而成,其粒度分布窄、流动性好、固含量高 、收缩率低、烧结密度大等显著优势,并以独特的低温干燥技术,有效控制了粉体氧含量。
高纯度和密度:纯度大于99%,密度可达3.10–3.21 g/cm³,接近碳化硅理论密度,气孔率低于0.5%,确保了高强度和高硬度。
高温稳定性:可在≥1600℃下稳定工作,导热系数为150–200 W/(m·K),热膨胀系数低(约3.8×10⁻⁶/℃),抗热震性强。
晶粒细小:无压烧结过程晶粒生长缓慢,晶粒尺寸小,提升了整体性能和导热效率。
二、应用场景
机械与化工:用于制造密封环、轴承、喷嘴及耐磨部件,耐酸碱腐蚀和高压冲刷。
高端工业:在防弹装甲、航天器部件、石油管道及核电设备中,提供高强度和耐高温保障。
能源与环保:适用于换热管、蜂窝陶瓷(如汽车尾气处理器)及窑炉窑具,导热性和抗热震性提升能效。
二、化学指标:
碳化硅化学指标: | |
SIC | ≥99% |
Fe2O3 | ≤0.10% |
F.C | ≤0.10% |
熔点(℃) | 2250 |
使用温度(℃) | 1900 |
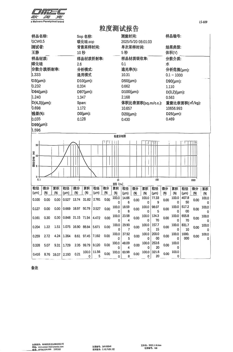
检测报告:

相关推荐